欢迎访问成都市阳光电器工业有限公司官网,我们竭诚为您服务!
低压产品您得当前位置:首页 > 成功案例 > 低压产品
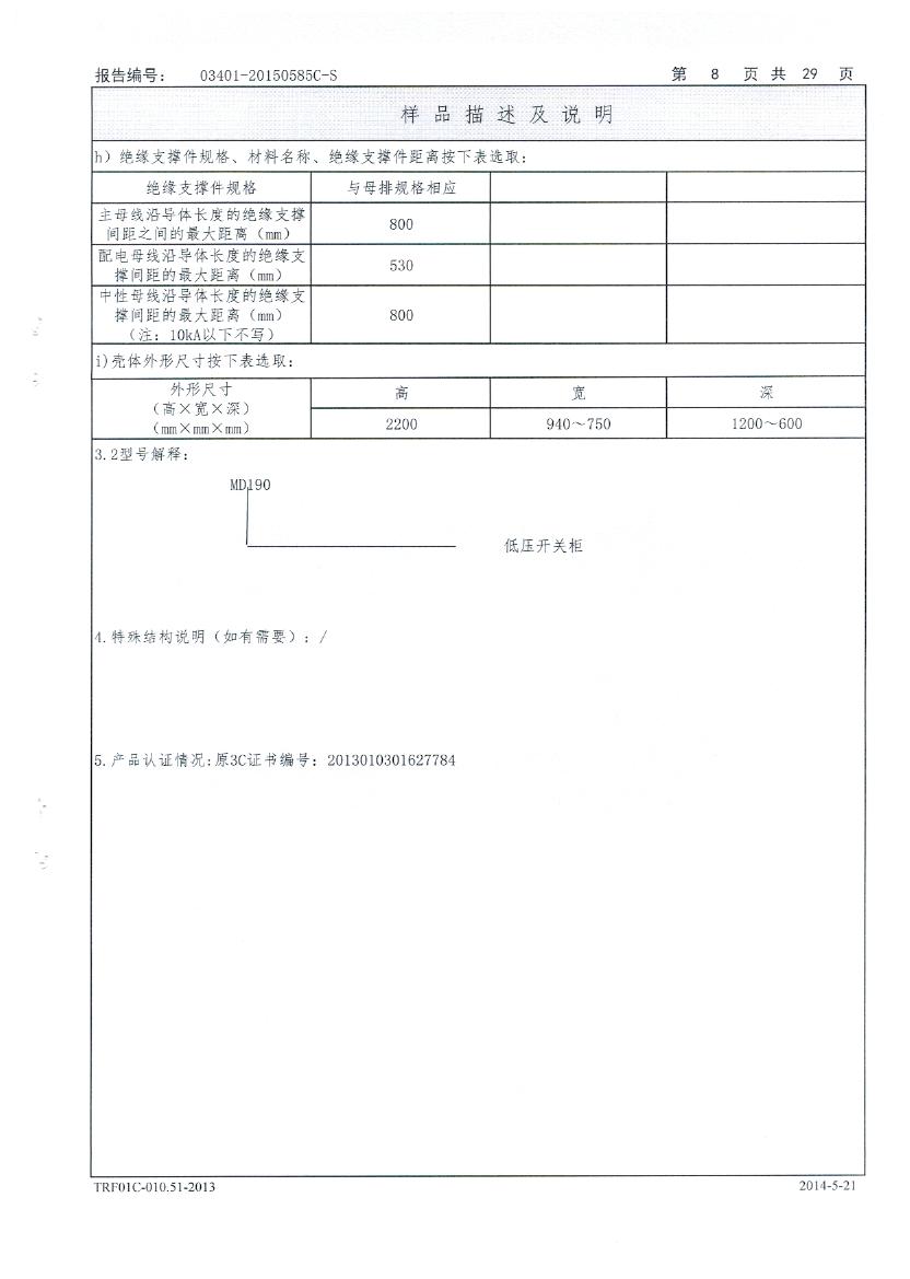
交流低压配电屏MDI90-4000A~1600A产品概述
产品描述:

地址:成都市双流区西航港经济开发区空港一路二段668号

综合咨询:028-85867664   028-85621595
销售咨询:028-85867664-810
采购咨询:028-85867664-837
售后服务:028-85867664-818
传真:028-85865719

邮箱: cdygdq001@vip.sina.com

域名:www.cdygdq.com


版权所有:成都市阳光电器工业有限公司          OA系统 《中华人民共和国电信与信息服务业务经营许可证》编号:蜀ICP备17030453号-1          技术支持:成都火狐狸科技
收缩
  • 电话咨询

  • 028-85867664